El desatador de rocas subterráneo XMPYT-56.5/325 fue desarrollado de forma independiente por Huatai y se utiliza ampliamente para llevar a cabo el desatado de rocas sueltas y la excavación subterránea en carreteras, túneles y cavernas. Esta máquina hidráulica para desatar rocas proporciona tanto un proceso de desatado de alta calidad como una gran seguridad, productividad y eficacia, acelerando enormemente los trabajos de y todo el proceso de excavación.
El desatador minero es compacto, con unas dimensiones de 5650 x 1600 x 1900 mm, la altura del vehículo es de 1,9 m, una anchura de 1,6 m y una cabina para el operario que puede bajarse hasta un mínimo de 1,5 m. Este desatador de rocas puede cumplir los requerimientos de los giros en ángulo recto en galerías y túneles de 3m de ancho.
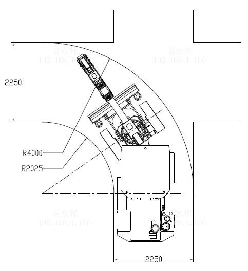
| General | Dimensiones totales (Largo×Ancho×Alto) | 7354×1650×2329 mm |
| Longitud retráctil (brazo) | 7674 mm | |
| Altura máxima de desatado | 7500 mm | |
| Ángulo de giro del martillo hidráulico | 180° (arriba/abajo), 180° (izquierda/derecha) | |
| Ángulo de giro de la pluma | ±35° | |
| Gradeabilidad | 14° | |
| Radio de giro | interior 3500mm, exterior 5500mm | |
| Diámetro de la varilla | ⌀ 53 | |
| Martillo hidráulico | Índice de impacto | 550-1100 bpm |
| Potencia nominal | 56,5 kW |
Huatai es una empresa china especializada en el diseño y la producción en serie de equipos de perforación de rocas. Desde nuestra creación en el año 2000, en Huatai nos hemos dedicado a la fabricación de productos de vanguardia y a proporcionar servicios integrales a varias empresas en los sectores de la minería, metalurgia e ingeniería de cimientos.
Huatai lleva 20 años innovando y desarrollándose en el sector de la minería subterránea y la perforación de rocas, superándose constantemente y llenando una serie de vacíos en el mercado chino. En la actualidad, nuestra gama de productos incluye más de 30 tipos de martillos mineros divididos en tres categorías principales, que son, equipos de minería subterránea, equipos de minería de carbón y máquinas para la perforación de pozos. A través de años de crecimiento y mejora continuos, hemos logrado ganar una buena reputación en la industria nacional de perforación de rocas, mejorando la seguridad, la eficiencia y la rentabilidad de los trabajos de minería subterránea y las operaciones de construcción de túneles.
La máquina de rehabilitación de minas de carbón WPZ-37/600 se ha fabricado especialmente para el mantenimiento de minas de carbón; ideal para eliminar la congestión en las minas. Se puede equipar con un martillo hidráulico para triturar rocas y bloques de carbón de manera eficiente.
Más +
El jumbo de perforación de pozos YSJZ es una máquina de perforación de rocas diseñada específicamente para la construcción de pozos en minas de mineral de hierro y metales no ferrosos. El equipo de perforación de pozos es una excelente opción para proyectos de minería y construcción subterránea en los que no se puede recurrir a otros métodos de perforación debido a limitaciones técnicas o económicas.
Más +
La perforadora de eje vertical de la serie SJZ es un equipo diseñado especialmente para la perforación de barrenos para la construcción de pozos verticales. Es adecuada para perforar pozos de varios diámetros y se caracteriza por su funcionamiento flexible, su posicionamiento preciso, su seguridad y su fiabilidad.
Más +
El jumbo hidráulico de perforación de pozos GYSJZ es una máquina de perforación especializada y de alto rendimiento desarrollada para satisfacer las demandas de la excavación de pozos verticales profundos y de roca dura. La maquinaria de perforación está impulsada por un robusto motor de 132kW y equipada con tres derivadores hidráulicos de alta resistencia, lo que le permite manejar diámetros de perforación de 4 a 6 metros.
Más +