El jumbo hidráulico de perforación HT71 es un equipo compacto e ideal para utilizarse en minas pequeñas y medianas. Este equipo de perforación tiene un diseño flexible y puede utilizarse en minas subterráneas o carreteras para perforar agujeros horizontales y en abanico en caras verticales e inclinadas.
Este jumbo de perforación subterránea es altamente automatizado y cuenta con una función de cambio automático de varillas. Es adecuado para carreteras y túneles con secciones transversales superiores a 3,8 m x 3,8 m.
La perforadora subterránea de rocas cuenta con una plataforma de trabajo que facilita el movimiento horizontal de la pluma o brazo, un sistema indicador del ángulo de perforación de alta precisión, una plataforma operativa controllada de forma remota y un martillo de perforación de alto rendimiento, lo que garantiza unas operaciones de perforación eficaces, seguras y rápidas. Además, la máquina viene con una función de acceso remoto que permite realizar operaciones a distancia. Esto aumenta significativamente la eficiencia de la producción minera.
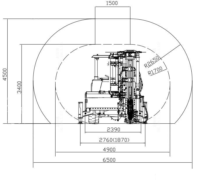
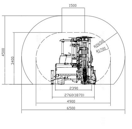
| Dimensión total (Largo×Ancho×Alto) | 8810×2390×2200(2910)mm |
| Martillo de perforación | RC2200, 22U |
| Potencia (Martillo de perforación) | 21 kW / 22 kW |
| Longitud total (viga de avance) | 3160 / 3456 mm |
| Longitud de la varilla de perforación | 1220 /1520 mm |
| Profundidad del agujero | 33/41m |
| Fuerza de viga de avance | 14 kN |
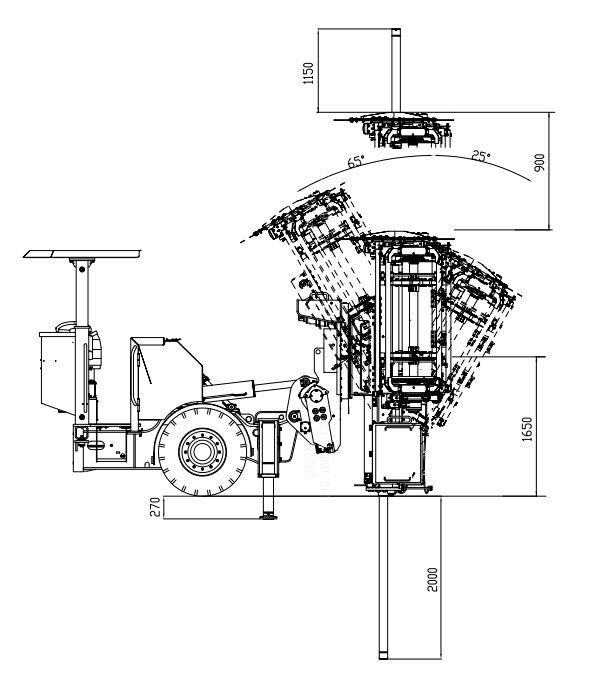
| Extensión de viga de avance | 900mm |
| Brazo (ángulo elevación/inclinación) | 25° 65° |
| Agujero horizontal | 1500 mm |
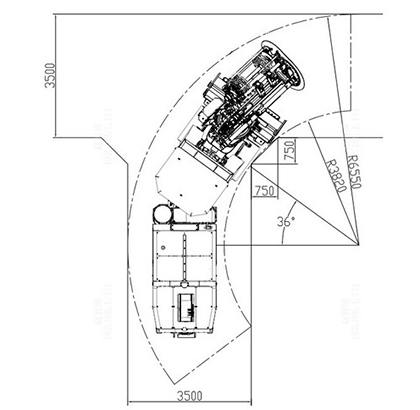
| Ángulo de rotación | ±180° |
| Potencia del motor principal | 75 kW |
| Tensión nominal | 380V (personalizado) |
| Gradeabilidad | 14° |
| Peso total | 16.5 T |
| Longitud del cable | 70 m |
Huatai es una empresa china especializada en el diseño y la producción en serie de equipos de perforación de rocas. Desde nuestra creación en el año 2000, en Huatai nos hemos dedicado a la fabricación de productos de vanguardia y a proporcionar servicios integrales a varias empresas en los sectores de la minería, metalurgia e ingeniería de cimientos.
Huatai lleva 20 años innovando y desarrollándose en el sector de la minería subterránea y la perforación de rocas, superándose constantemente y llenando una serie de vacíos en el mercado chino. En la actualidad, nuestra gama de productos incluye más de 30 tipos de martillos mineros divididos en tres categorías principales, que son, equipos de minería subterránea, equipos de minería de carbón y máquinas para la perforación de pozos. A través de años de crecimiento y mejora continuos, hemos logrado ganar una buena reputación en la industria nacional de perforación de rocas, mejorando la seguridad, la eficiencia y la rentabilidad de los trabajos de minería subterránea y las operaciones de construcción de túneles.
El jumbo hidráulico de perforación de pozos GYSJZ es una máquina de perforación especializada y de alto rendimiento desarrollada para satisfacer las demandas de la excavación de pozos verticales profundos y de roca dura. La maquinaria de perforación está impulsada por un robusto motor de 132kW y equipada con tres derivadores hidráulicos de alta resistencia, lo que le permite manejar diámetros de perforación de 4 a 6 metros.
Más +
El jumbo de perforación de pozos YSJZ es una máquina de perforación de rocas diseñada específicamente para la construcción de pozos en minas de mineral de hierro y metales no ferrosos. El equipo de perforación de pozos es una excelente opción para proyectos de minería y construcción subterránea en los que no se puede recurrir a otros métodos de perforación debido a limitaciones técnicas o económicas.
Más +
La perforadora de eje vertical de la serie SJZ es un equipo diseñado especialmente para la perforación de barrenos para la construcción de pozos verticales. Es adecuada para perforar pozos de varios diámetros y se caracteriza por su funcionamiento flexible, su posicionamiento preciso, su seguridad y su fiabilidad.
Más +
Diseñada específicamente para formaciones rocosas de dureza media, el drifter hidráulico o martillo de perforación hidráulico RC600 ofrece una perforación potente y precisa en una amplia gama de aplicaciones exigentes.
Más +