El equipo de perforación hidráulica HT72-C ha sido especialmente diseñado para pequeñas galerías y túneles. Este equipo minero se caracteriza por su flexibilidad, puede utilizarse para perforar agujeros horizontales y en abanico en planos verticales e inclinados en minas subterráneas o túneles.
Este equipo de perforación ha sido diseñado para las galerías y túneles con una sección mayor a 3m×3m.
El equipo de perforación subterránea cuenta con un sistema de indicación del ángulo de perforación de alta precisión, una plataforma operada a distancia y un martillo de perforación de alto rendimiento para garantizar que la perforación se realice de forma eficaz, segura y rápida. El brazo de calidad superior es muy estable y proporciona un posicionamiento preciso, mejorando en gran medida la precisión de la perforación y reduciendo la dilución del mineral.
| Dimensiones totales (Largo×Ancho×Alto) | 7600×1450×2140(2850)mm |
| Martillo de perforación | RC2200, HC95, 22U, 18U |
| Potencia (martillo de perforación) | 21kw / 24kw / 22kw/ 18 kW |
| Longitud total (viga de avance) | 2770 / 2685 / 2580 mm |
| Longitud de la varilla de perforación | 1000 / 915 / 800 mm |
| Profundidad del agujero | 35 m |
| Fuerza de viga de avance | 13 kN |
| Extensión de viga de avance | 900mm |
| Pluma (ángulo de elevación/inclinación) | elevación+65° / inclinación-30° |
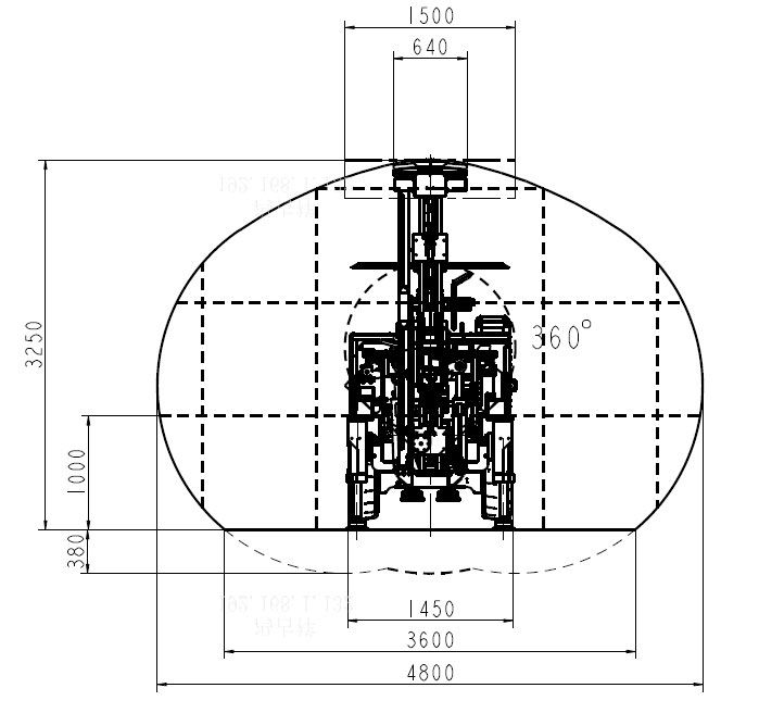
| Agujero horizontal | 1500 mm |
| Ángulo de giro | ±180° |
| Potencia del motor principal | 75 kW / 55 kW |
| Tensión nominal | 380V (puede personalizarse) |
| Gradeabilidad | 14° |
| Peso total | 11.5 T |
| Longitud del cable | 70 m |
Huatai es una empresa china especializada en el diseño y la producción en serie de equipos de perforación de rocas. Desde nuestra creación en el año 2000, en Huatai nos hemos dedicado a la fabricación de productos de vanguardia y a proporcionar servicios integrales a varias empresas en los sectores de la minería, metalurgia e ingeniería de cimientos.
Huatai lleva 20 años innovando y desarrollándose en el sector de la minería subterránea y la perforación de rocas, superándose constantemente y llenando una serie de vacíos en el mercado chino. En la actualidad, nuestra gama de productos incluye más de 30 tipos de martillos mineros divididos en tres categorías principales, que son, equipos de minería subterránea, equipos de minería de carbón y máquinas para la perforación de pozos. A través de años de crecimiento y mejora continuos, hemos logrado ganar una buena reputación en la industria nacional de perforación de rocas, mejorando la seguridad, la eficiencia y la rentabilidad de los trabajos de minería subterránea y las operaciones de construcción de túneles.
El jumbo hidráulico de perforación de pozos GYSJZ es una máquina de perforación especializada y de alto rendimiento desarrollada para satisfacer las demandas de la excavación de pozos verticales profundos y de roca dura. La maquinaria de perforación está impulsada por un robusto motor de 132kW y equipada con tres derivadores hidráulicos de alta resistencia, lo que le permite manejar diámetros de perforación de 4 a 6 metros.
Más +
El jumbo de perforación de pozos YSJZ es una máquina de perforación de rocas diseñada específicamente para la construcción de pozos en minas de mineral de hierro y metales no ferrosos. El equipo de perforación de pozos es una excelente opción para proyectos de minería y construcción subterránea en los que no se puede recurrir a otros métodos de perforación debido a limitaciones técnicas o económicas.
Más +
La perforadora de eje vertical de la serie SJZ es un equipo diseñado especialmente para la perforación de barrenos para la construcción de pozos verticales. Es adecuada para perforar pozos de varios diámetros y se caracteriza por su funcionamiento flexible, su posicionamiento preciso, su seguridad y su fiabilidad.
Más +
Diseñada específicamente para formaciones rocosas de dureza media, el drifter hidráulico o martillo de perforación hidráulico RC600 ofrece una perforación potente y precisa en una amplia gama de aplicaciones exigentes.
Más +